首頁
下單須知
熱轉印周邊
UV水晶標
全彩昇華
昇華常見問題篇
少量/特殊製作加價說明
衣服代工
數位直噴
設備&耗材販售
設備常見問題
更多
購物車
0
0 TWD
選單
EPSON-I1600-U1打印頭
愛普生 i1600 打印頭 | I1600-U1、I1600-E1、I1600-A1
愛普生 I1600-A1 / I1600-E1 / I1600-U1 印字頭
相容性:
DTF 印表機,UV DTF 印表機
高解析度、多色耐用性。
相容於水性、弱溶劑和 UV 油墨。
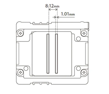
噴嘴分辨率:
600 dpi(雙色列印)、300 dpi(四色列印)
可變墨滴技術
用於多灰階列印
VSDT(可變尺寸液滴技術)
愛普生獨特的 VSDT 可以自由控制墨滴大小,減少顆粒感,增強影像細節,並創造高飽和度的平滑色彩過渡。
PrecisionCore 技術
MEMS(微機電系統)製造和薄膜壓電技術可實現高精度噴嘴排列(600 npi/2 排),從而提供緊湊、快速、高品質和耐用的列印頭。
精密的 MEMS 噴嘴和墨水流路確保噴出近乎完美的圓形墨滴並準確定位。
高密度列印頭
噴嘴間距:
1/300英寸
高精度製造技術帶來卓越的耐用性
針對各種商業和工業列印應用進行了最佳化,可實現高速輸出和高品質列印。
原廠愛普生標籤
正品印字頭帶有愛普生官方標籤。
37,000
TWD
0
TWD
含稅價格
不含稅 37,000 TWD
新增到購物車
新增到購物車
缺貨